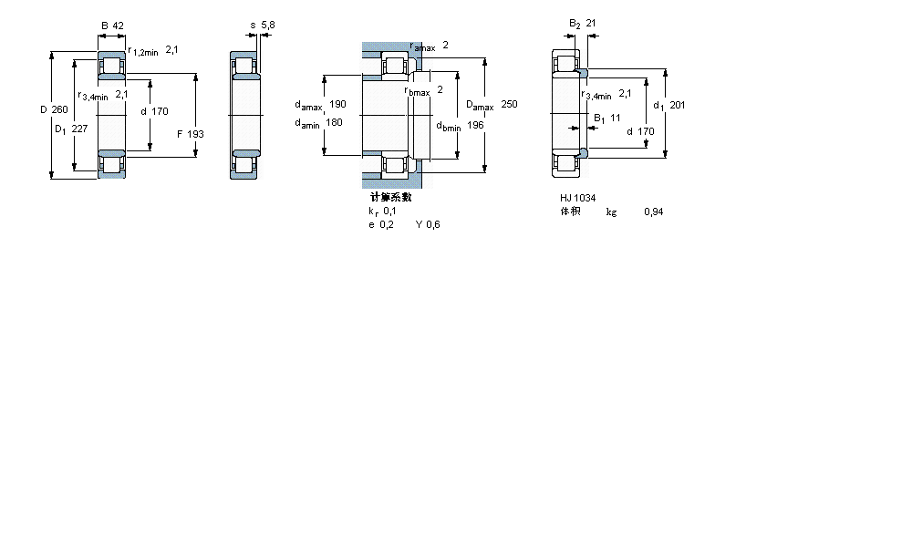
NU1034ML軸承
NU1034ML軸承(內徑:170 外徑:260厚度:42的圓柱滾子軸承),NU1034ML軸承是蘇州凱諾永晟提供的SKF品牌軸承,
此外我公司還為您推薦各種國產、其他進口品牌替換NU1034ML軸承。公司承載著“以質量為本,服務為路線”的道路深得各機械行業(yè)公司的信任!
更多高轉速、高載荷等適用于極限環(huán)境的軸承庫存現貨,請致電“0512-57922999”咨詢!
| 圓柱滾子軸承, 單列, NU 設計 | ||||||||||||
| 公差 , 參見文字 | ||||||||||||
| 徑向內部間隙, 圓柱型內孔 , 圓錐型內孔, 無密封件 , 參見文字 | ||||||||||||
| 推薦配合 | ||||||||||||
| 軸和軸承座公差 | ||||||||||||
|
|
||||||||||||
| 主要數據尺寸 | 基本負荷額定值 | 疲勞負荷限值 | 額定速度 | 體積 | 型號 | 適宜的斜擋圈 | ||||||
| 動態(tài) | 靜態(tài) | 參照速度 | 限制速度 | 型號 | ||||||||
| d | D | B | C | C0 | Pu | |||||||
|
|
||||||||||||
| mm | kN | kN | r/min | kg | - | - | ||||||
|
|
||||||||||||
| 170 | 260 | 42 | 275 | 400 | 41,5 | 2800 | 4300 | 8,00 | NU 1034 ML | HJ 1034 | ||
此軸承 樣本圖紙
同品牌推薦
軸承廣泛應用于:橡膠造粒機 藥品包裝機械 實驗室用混合設備 飲料生產設備 塑料板材設備 耐材及爐窯 紡機配件 農業(yè)機械 分選篩 工業(yè)縫紉機 壓焊機 醫(yī)藥混合設備 數控焊機 空氣干燥機 推土機 等領域。
