SALA60ES-2RS軸承
SALA60ES-2RS軸承(內徑:- 外徑:-厚度:-的需要維護的桿端),SALA60ES-2RS軸承是蘇州凱諾永晟提供的SKF品牌軸承,
此外我公司還為您推薦各種國產、其他進口品牌替換SALA60ES-2RS軸承。公司承載著“以質量為本,服務為路線”的道路深得各機械行業(yè)公司的信任!
更多高轉速、高載荷等適用于極限環(huán)境的軸承庫存現貨,請致電“0512-57922999”咨詢!
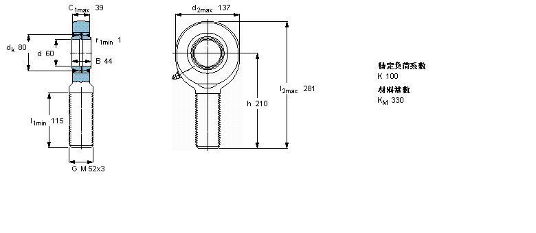
| 需要維護的桿端, 鋼對鋼,陽螺紋, 兩面密封件 | |||||||||||
| 公差 , 參見文字 | |||||||||||
| 徑向內部游隙 , 參見文字 | |||||||||||
|
|
|||||||||||
| 主要數據尺寸 | 角度傾的 | 基本負荷額定值 | 質量 | 型號 | |||||||
| 動態(tài) | 靜態(tài) | 桿端帶右或左旋螺紋 | |||||||||
| d | d2 | B | d3 | C1 | h | ± | C | C0 | |||
| 6g | |||||||||||
|
|
|||||||||||
| mm | 度數 | kN | kg | - | |||||||
|
|
|||||||||||
| 60 | 137 | 44 | M 52x3 | 39 | 210 | 6 | 245 | 360 | 5,70 | SALA 60 ES-2RS | |
此軸承 樣本圖紙
同品牌推薦
軸承廣泛應用于:氣體保護焊機 乳化機 水轉印設備 水焊機 打碼機 鑄造及熱處理設備 研磨機 農機配件 分級設備 自動泵 工業(yè)烘干機 電阻焊機 塑料拉絲機 垃圾車 壓合機 等領域。
