SILKAC25M軸承
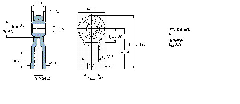
SILKAC25M軸承(內徑:25 外徑:61厚度:31的需要維護的桿端),SILKAC25M軸承是蘇州凱諾永晟提供的SKF品牌軸承,
此外我公司還為您推薦各種國產、其他進口品牌替換SILKAC25M軸承。公司承載著“以質量為本,服務為路線”的道路深得各機械行業(yè)公司的信任!
更多高轉速、高載荷等適用于極限環(huán)境的軸承庫存現貨,請致電“0512-57922999”咨詢!
| 需要維護的桿端, 鋼對青銅,陰螺紋 | |||||||||||
| 公差 , 參見文字 | |||||||||||
| 徑向內部游隙 , 參見文字 | |||||||||||
|
|
|||||||||||
| 主要數據尺寸 | 角度傾的 | 基本負荷額定值 | 質量 | 型號 | |||||||
| 動態(tài) | 靜態(tài) | 軸承座完全與 | |||||||||
| d | d2 | B | d3 | C1 | h1 | ± | C | C0 | |||
| 6H | |||||||||||
|
|
|||||||||||
| mm | 度數 | kN | kg | - | |||||||
|
|
|||||||||||
| 25 | 61 | 31 | M 24x2 | 23 | 94 | 15 | 47,5 | 53 | 0,68 | SILKAC 25 M | |
此軸承 樣本圖紙
同品牌推薦
軸承廣泛應用于:銑床 冷卻塔 填料 塑料機械 塔吊 陶瓷雕刻機 把手 熨燙機 單級減速機 流程泵 弧焊機 反滲析設備 鋼筋切斷機 填料塔 齒輪減速機 等領域。
