SILKAC14M軸承
SILKAC14M軸承(內徑:14 外徑:37厚度:19的需要維護的桿端),SILKAC14M軸承是蘇州凱諾永晟提供的SKF品牌軸承,
此外我公司還為您推薦各種國產、其他進口品牌替換SILKAC14M軸承。公司承載著“以質量為本,服務為路線”的道路深得各機械行業(yè)公司的信任!
更多高轉速、高載荷等適用于極限環(huán)境的軸承庫存現貨,請致電“0512-57922999”咨詢!
| 需要維護的桿端, 鋼對青銅,陰螺紋 | |||||||||||
| 公差 , 參見文字 | |||||||||||
| 徑向內部游隙 , 參見文字 | |||||||||||
|
|
|||||||||||
| 主要數據尺寸 | 角度傾的 | 基本負荷額定值 | 質量 | 型號 | |||||||
| 動態(tài) | 靜態(tài) | 軸承座完全與 | |||||||||
| d | d2 | B | d3 | C1 | h1 | ± | C | C0 | |||
| 6H | |||||||||||
|
|
|||||||||||
| mm | 度數 | kN | kg | - | |||||||
|
|
|||||||||||
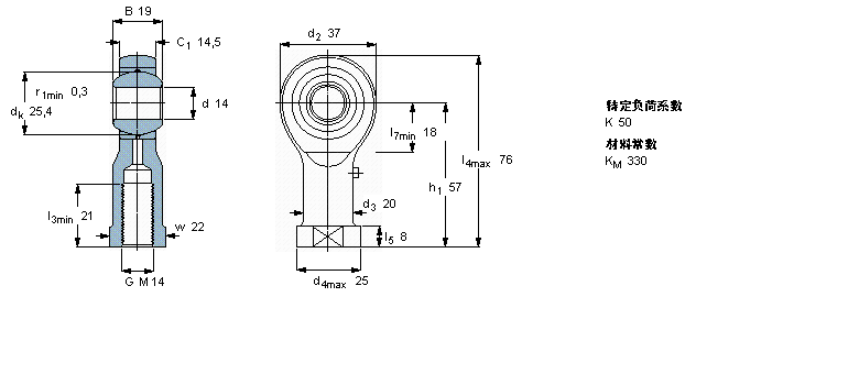
| 14 | 37 | 19 | M 14 | 14,5 | 57 | 15 | 17 | 20,4 | 0,18 | SILKAC 14 M | |
此軸承 樣本圖紙
同品牌推薦
軸承廣泛應用于:跳線機 壓力試驗機 充磁機 激光焊機 熱收縮包裝機 方箱 加熱器 農機配件 貼合機 空調泵 粉碎設備配件 米面機械 制冷壓縮機 冷焊機 管式換熱器 等領域。
