NNCL4912CV軸承
NNCL4912CV軸承(內徑:60 外徑:85厚度:25的圓柱滾子軸承),NNCL4912CV軸承是蘇州凱諾永晟提供的SKF品牌軸承,
此外我公司還為您推薦各種國產、其他進口品牌替換NNCL4912CV軸承。公司承載著“以質量為本,服務為路線”的道路深得各機械行業(yè)公司的信任!
更多高轉速、高載荷等適用于極限環(huán)境的軸承庫存現貨,請致電“0512-57922999”咨詢!
| 圓柱滾子軸承, 雙列滿裝滾子, 無密封件, 沒有載荷支承能力 | ||||||||||
| 公差 , 參見文字 | ||||||||||
| 徑向內部游隙 , 參見文字 | ||||||||||
| 推薦配合 | ||||||||||
| 軸和軸承座公差 | ||||||||||
|
|
||||||||||
| 主要數據尺寸 | 基本負荷額定值 | 疲勞負荷限值 | 額定速度 | 體積 | 型號 | |||||
| 動態(tài) | 靜態(tài) | 參照速度 | 限制速度 | |||||||
| d | D | B | C | C0 | Pu | |||||
|
|
||||||||||
| mm | kN | kN | r/min | kg | - | |||||
|
|
||||||||||
| 60 | 85 | 25 | 78,1 | 137 | 14,3 | 3600 | 4500 | 0,47 | NNCL 4912 CV | |
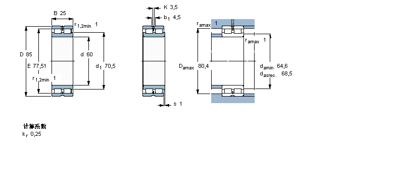
此軸承 樣本圖紙
同品牌推薦
軸承廣泛應用于:傳質設備 絡筒并捻機械 潛水攪拌機 熱收縮包裝機 高周波焊機 水洗機 導軌 氣動泵 拖鏈 塑料壓延機 氣流干燥設備 醫(yī)用 壓塑機 編織機 建筑材料 等領域。
