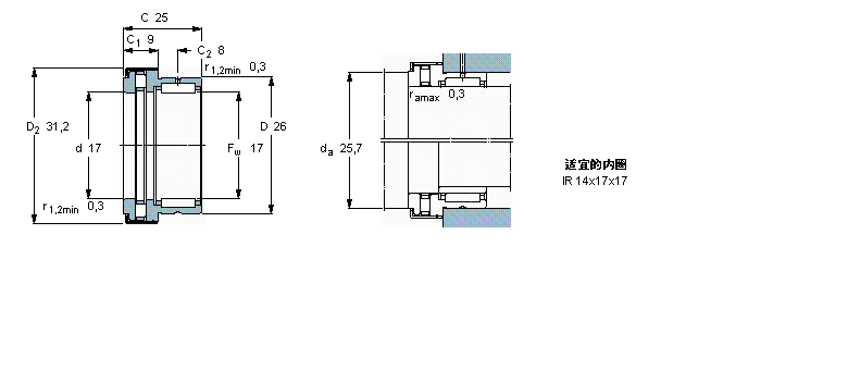
NKXR17Z軸承
NKXR17Z軸承(內徑:17 外徑:26厚度:25的組合式滾針軸承),NKXR17Z軸承是蘇州凱諾永晟提供的SKF品牌軸承,
此外我公司還為您推薦各種國產、其他進口品牌替換NKXR17Z軸承。公司承載著“以質量為本,服務為路線”的道路深得各機械行業(yè)公司的信任!
更多高轉速、高載荷等適用于極限環(huán)境的軸承庫存現貨,請致電“0512-57922999”咨詢!
| 組合式滾針軸承, 滾針/圓柱滾子推力軸承 | ||||||||||||||
| 公差 , 參見文字 | ||||||||||||||
| 徑向內部游隙 , 參見文字 | ||||||||||||||
| 推薦配合 | ||||||||||||||
| 軸和軸承座公差 | ||||||||||||||
|
|
||||||||||||||
| 主要數據尺寸 | 基本負荷額定值 | 疲勞負荷限值 | 最小負荷系數 | 額定速度 | 體積 | 型號 | ||||||||
| 徑向 | 軸向 | 參照速度 | 限制速度 | |||||||||||
| 動態(tài) | 靜態(tài) | 動態(tài) | 靜態(tài) | 徑向 | 軸向 | |||||||||
| Fw | D | C | C | C0 | C | C0 | Pu | Pu | A | |||||
|
|
||||||||||||||
| mm | kN | kN | - | r/min | kg | - | ||||||||
|
|
||||||||||||||
| 17 | 26 | 25 | 12,3 | 16,6 | 12,2 | 31,5 | 1,96 | 2,85 | 0,000079 | 4300 | 8500 | 0,053 | NKXR 17 Z | |
此軸承 樣本圖紙
同品牌推薦
軸承廣泛應用于:擠水機 陶瓷雕刻機 塑料印刷設備 管道泵 動壓導軌 拖拉機 屏蔽泵 卷揚機 林業(yè)機械 塑料擠出機 吸上式噴槍 法蘭盤 紡織用儀器 圓柱齒輪減速機 氣流干燥設備 等領域。
