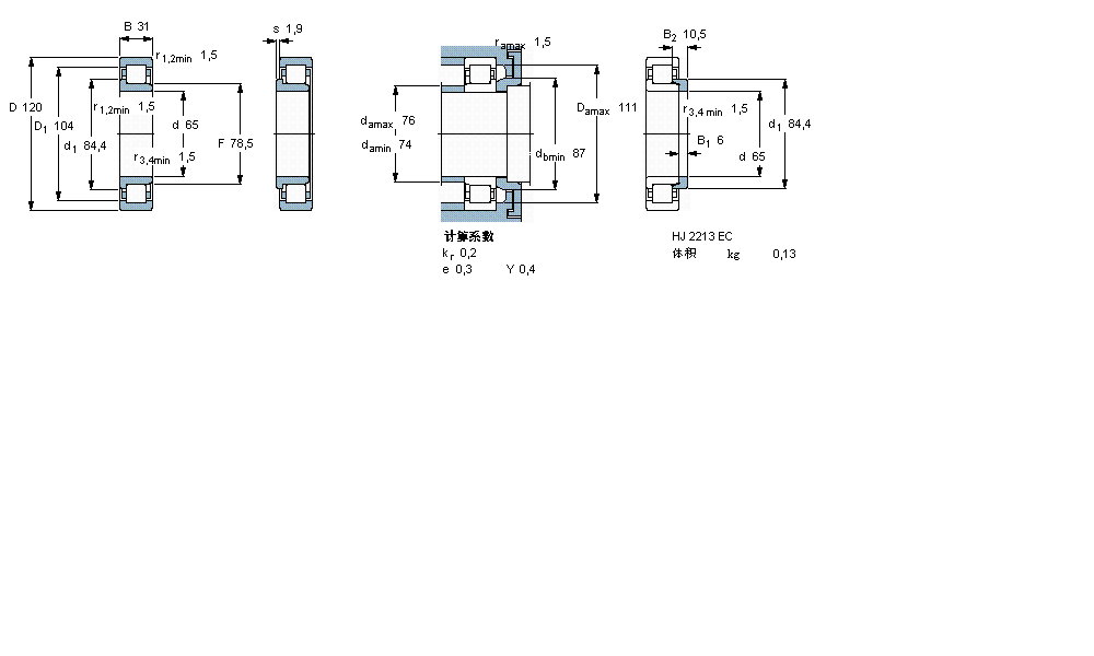
NJ2213ECP軸承
NJ2213ECP軸承(內徑:65 外徑:120厚度:31的圓柱滾子軸承),NJ2213ECP軸承是蘇州凱諾永晟提供的SKF品牌軸承,
此外我公司還為您推薦各種國產、其他進口品牌替換NJ2213ECP軸承。公司承載著“以質量為本,服務為路線”的道路深得各機械行業(yè)公司的信任!
更多高轉速、高載荷等適用于極限環(huán)境的軸承庫存現貨,請致電“0512-57922999”咨詢!
| 圓柱滾子軸承, 單列, NJ 設計 | ||||||||||||
| 公差 , 參見文字 | ||||||||||||
| 徑向內部間隙, 圓柱型內孔 , 圓錐型內孔, 無密封件 , 參見文字 | ||||||||||||
| 推薦配合 | ||||||||||||
| 軸和軸承座公差 | ||||||||||||
|
|
||||||||||||
| 主要數據尺寸 | 基本負荷額定值 | 疲勞負荷限值 | 額定速度 | 體積 | 型號 | 適宜的斜擋圈 | ||||||
| 動態(tài) | 靜態(tài) | 參照速度 | 限制速度 | 型號 | ||||||||
| d | D | B | C | C0 | Pu | * - SKF Explorer 軸承 | ||||||
|
|
||||||||||||
| mm | kN | kN | r/min | kg | - | - | ||||||
|
|
||||||||||||
| 65 | 120 | 31 | 170 | 180 | 24 | 6300 | 6700 | 1,45 | NJ 2213 ECP * | HJ 2213 EC | ||
此軸承 樣本圖紙
同品牌推薦
軸承廣泛應用于:絡筒并捻機械 管道泵 鋸床 移印機 電鍍冷凍機 低噪型冷卻塔 調味品加工設備 立式減速機 塑料機械 消聲室 食用油加工設備 前處理設備 裝訂機 塑料板材設備 計量泵 等領域。
