22214EK軸承
22214EK軸承(內徑:70 外徑:125厚度:31的球面滾子軸承),22214EK軸承是蘇州凱諾永晟提供的SKF品牌軸承,
此外我公司還為您推薦各種國產、其他進口品牌替換22214EK軸承。公司承載著“以質量為本,服務為路線”的道路深得各機械行業(yè)公司的信任!
更多高轉速、高載荷等適用于極限環(huán)境的軸承庫存現貨,請致電“0512-57922999”咨詢!
| 球面滾子軸承, 圓柱和圓錐孔, 圓錐型內孔, 無密封件 | ||||||||||
| 公差 , 參見文字 | ||||||||||
| 徑向內部間隙, 圓柱型內孔 , 圓錐型內孔, 無密封件 , 參見文字 | ||||||||||
| 推薦配合 | ||||||||||
| 軸和軸承座公差 | ||||||||||
|
|
||||||||||
| 主要數據尺寸 | 基本負荷額定值 | 疲勞負荷限值 | 額定速度 | 體積 | 型號 | |||||
| 動態(tài) | 靜態(tài) | 參照速度 | 限制速度 | |||||||
| d | D | B | C | C0 | Pu | * - SKF Explorer 軸承 | ||||
|
|
||||||||||
| mm | kN | kN | r/min | kg | - | |||||
|
|
||||||||||
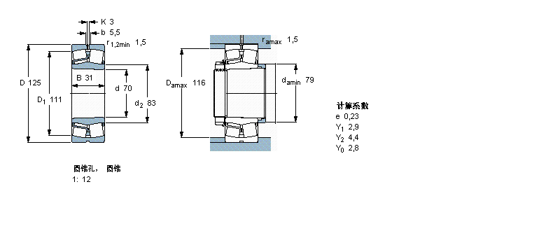
| 70 | 125 | 31 | 208 | 228 | 25,5 | 5000 | 6700 | 1,50 | 22214 EK * | |
此軸承 樣本圖紙
同品牌推薦
軸承廣泛應用于:爆破設備 高周波焊機 繞線機、絞線機 波紋管設備 氣動攪拌機 超聲波焊機 醫(yī)用車、床、臺 裹包機械 數控焊機 工程機械、建筑機械 污水處理設備 熱收縮包裝機 材料試驗機 吸塑機 潛水泵 等領域。
