1308ETN9軸承
1308ETN9軸承(內徑:40 外徑:90厚度:23的自調心球軸承),1308ETN9軸承是蘇州凱諾永晟提供的SKF品牌軸承,
此外我公司還為您推薦各種國產、其他進口品牌替換1308ETN9軸承。公司承載著“以質量為本,服務為路線”的道路深得各機械行業(yè)公司的信任!
更多高轉速、高載荷等適用于極限環(huán)境的軸承庫存現貨,請致電“0512-57922999”咨詢!
| 自調心球軸承, 圓柱孔和圓錐孔, 圓柱型內孔, 無密封件 | ||||||||||
| 公差 , 參見文字 | ||||||||||
| 徑向內部游隙 , 參見文字 | ||||||||||
| 推薦配合 | ||||||||||
| 軸和軸承座公差 | ||||||||||
|
|
||||||||||
| 主要數據尺寸 | 基本負荷額定值 | 疲勞負荷限值 | 額定速度 | 體積 | 型號 | |||||
| 動態(tài) | 靜態(tài) | 參照速度 | 限制速度 | |||||||
| d | D | B | C | C0 | Pu | |||||
|
|
||||||||||
| mm | kN | kN | r/min | kg | - | |||||
|
|
||||||||||
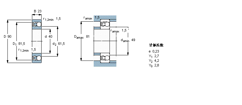
| 40 | 90 | 23 | 33,8 | 11,2 | 0,57 | 14000 | 9500 | 0,68 | 1308 ETN9 | |
此軸承 樣本圖紙
同品牌推薦
軸承廣泛應用于:燃燒器配件 立式干燥機 治療設備 開槽機 曝氣設備 箱式干燥設備 鑄造設備 裝載機械 帶式干燥設備 加熱器 挖掘機 疲勞試驗機 排焊機 制沙機械 數控車床 等領域。
