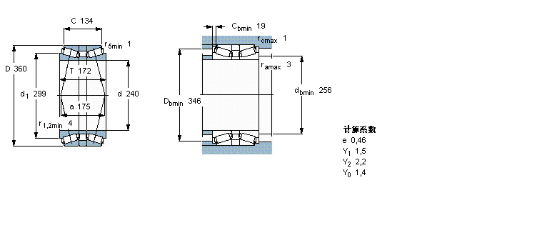
32048T172X/DB軸承
32048T172X/DB軸承(內徑:240 外徑:360厚度:172的圓錐滾子軸承),32048T172X/DB軸承是蘇州凱諾永晟提供的SKF品牌軸承,
此外我公司還為您推薦各種國產、其他進口品牌替換32048T172X/DB軸承。公司承載著“以質量為本,服務為路線”的道路深得各機械行業(yè)公司的信任!
更多高轉速、高載荷等適用于極限環(huán)境的軸承庫存現貨,請致電“0512-57922999”咨詢!
| 圓錐滾子軸承, 單列,背對背配對 | ||||||||||
| 公差 , 參見文字 | ||||||||||
| 軸向內部間隙, 參見文字 | ||||||||||
| 推薦配合 | ||||||||||
| 軸和軸承座公差 | ||||||||||
|
|
||||||||||
| 主要數據尺寸 | 基本負荷額定值 | 疲勞負荷限值 | 額定速度 | 體積 | 型號 | |||||
| 動態(tài) | 靜態(tài) | 參照速度 | 限制速度 | |||||||
| d | D | B | C | C0 | Pu | |||||
|
|
||||||||||
| mm | kN | kN | r/min | kg | - | |||||
|
|
||||||||||
| 240 | 360 | 172 | 1570 | 3550 | 315 | 950 | 1600 | 56,0 | 32048T172 X/DB | |
此軸承 樣本圖紙
同品牌推薦
軸承廣泛應用于:氣動焊機 航空航天 醫(yī)用車、床、臺 鼓風機 鞋眼機 煉鐵設備 機床燈具 監(jiān)護設備 屠宰及肉類初加工設備 紡織設備和器材 配頁機 灌裝機械 噴霧式冷卻塔 空氣干燥機 繞線機、絞線機 等領域。
